愛車「プリウス」で様々なことを歳時記として紹介。
ちょっとした疑問を・・「PIC」「連枝」に興味深々!!!・・コメントお待ちしています。
×
[PR]上記の広告は3ヶ月以上新規記事投稿のないブログに表示されています。新しい記事を書く事で広告が消えます。
Lipo充電にソーラー(下記2個を並列 8.64V 1.86A)を使用したが。。。上手く充電していないもよう。。。orz
R/C用の充電器を利用することに。。。まずは12Vバッテリー充電(下記2個直列 17.28V 0.93A)!
充電完了は、12V×1.14=13.68Vとなる。
低電圧回路は、ソーラーにはあまりむかないようで、Trが異常に熱を発生!
入力電圧は、18Vを超えるため、充電電流で熱を発する。。。orz



ソーラーの特性上、定電流電源と同じなので、直接接続しても問題ないようだ。。(^_^.)
それなら、過充電のみ監視すれば。。。

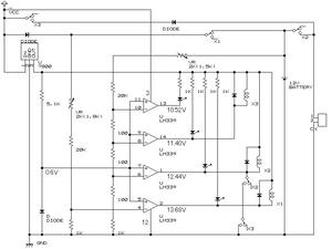
とこんな回路で対応することに。。
12V BTには、13.68Vまで、直結でつなぎ、X1にて開放する。
充電器は、12.44Vで通電開始し、BTが11.40Vで停止する。
これで、12V BTをソーラーが充電し、BTで、Lipo充電器を稼動するポンプ方式を採用!
2個の2次電池は、それぞれ過充電と過放電を監視しています。
Lipo(3セル 11.1V 31.2Ah)は、12.6Vまで充電され、10Vまで放電(DC-ACアダプタ)する。
現在の設定実績と回路ロス
10.82V(10mA) 11.83V(30mA)[x3] 12.89V(70mA)[x2] 13.63V(90/30mA)[x1]
Lipo充電供給電圧(CN)は、12.89-11.65V 12V BATTERY充電は、13.63V以下となった。。
X2 on -X3 off X1 on
負荷は、AC100V 150W Max ですが。。。何に使うかが問題!
とりあえず、TVにでも使おうと。。。
R/C用の充電器を利用することに。。。まずは12Vバッテリー充電(下記2個直列 17.28V 0.93A)!
充電完了は、12V×1.14=13.68Vとなる。
低電圧回路は、ソーラーにはあまりむかないようで、Trが異常に熱を発生!
入力電圧は、18Vを超えるため、充電電流で熱を発する。。。orz
ソーラーの特性上、定電流電源と同じなので、直接接続しても問題ないようだ。。(^_^.)
それなら、過充電のみ監視すれば。。。
とこんな回路で対応することに。。
12V BTには、13.68Vまで、直結でつなぎ、X1にて開放する。
充電器は、12.44Vで通電開始し、BTが11.40Vで停止する。
これで、12V BTをソーラーが充電し、BTで、Lipo充電器を稼動するポンプ方式を採用!
2個の2次電池は、それぞれ過充電と過放電を監視しています。
Lipo(3セル 11.1V 31.2Ah)は、12.6Vまで充電され、10Vまで放電(DC-ACアダプタ)する。
現在の設定実績と回路ロス
10.82V(10mA) 11.83V(30mA)[x3] 12.89V(70mA)[x2] 13.63V(90/30mA)[x1]
Lipo充電供給電圧(CN)は、12.89-11.65V 12V BATTERY充電は、13.63V以下となった。。
X2 on -X3 off X1 on
負荷は、AC100V 150W Max ですが。。。何に使うかが問題!
とりあえず、TVにでも使おうと。。。

PR
この記事にコメントする
カレンダー
| 11 | 2025/12 | 01 |
| S | M | T | W | T | F | S |
|---|---|---|---|---|---|---|
| 1 | 2 | 3 | 4 | 5 | 6 | |
| 7 | 8 | 9 | 10 | 11 | 12 | 13 |
| 14 | 15 | 16 | 17 | 18 | 19 | 20 |
| 21 | 22 | 23 | 24 | 25 | 26 | 27 |
| 28 | 29 | 30 | 31 |
最新記事
(10/12)
(05/09)
(02/03)
(01/25)
(01/15)
(12/19)
(10/19)
(08/23)
(07/23)
(06/11)
ブログ内検索
カウンター
忍者Tool
フリーエリア
最新CM
[05/06 サガンもん]
[02/28 mirai_mirai]
[02/14 NASAの発破技師です]
[01/21 NASAの発破技師です]
[01/21 NASAの発破技師です]

